ETF 012 - Elektronický termo-hygrostat - 2025
Kompaktní elektronický termo-hygrostat je určen pro monitorování teploty a relativní vlhkosti v uzavřených zařízeních s elektrickými a elektronickými komponentami. Při překročení nastavených hodnot vlhkosti nebo teploty spíná topné těleso (nebo případně ventilátor) k zamezení tvoření kondenzace vlhkosti.

Varianty k produktu ETF 012 - Elektronický termo-hygrostat - 2025 (2)

Rozsah nastavení teploty: 0 ... +60°C; Rozsah nastavení vlhkosti: 50 ... 90% RV
Hystereze spínání: Teplota -2K (tolerance +-1K), Vlhkost - 4% RV (tolerance +-1%); Montáž: na DIN lištu;
Hmotnost: 200g; LED indikace funkce; Rozměry (VxŠxH): 101x35x69,5 mm; Stupeň krytí: IP20
Maximální spínaný výkon: AC 240V, 16 (1,6) A, DC 60 V, 0,6A; Max. spínaný proud: AC 30 A po 10 sec.
Schválení: CE,UL,VDE,EAC

Rozsah nastavení teploty: 0 ... +60°C; Rozsah nastavení vlhkosti: 50 ... 90% RV
Hystereze spínání: Teplota -2K (tolerance +-1K), Vlhkost - 4% RV (tolerance +-1%);
Montáž: na DIN lištu nebo šrouby;
Hmotnost: 200g; LED indikace funkce; Rozměry (VxŠxH): 138x35x69,5 mm; Stupeň krytí: IP20
Maximální spínaný výkon: AC 240V, 16 (1,6) A, DC 60 V, 0,6A; Max. spínaný proud: AC 30 A po 10 sec.
Schválení: CE,UL,VDE,EAC
Popis výrobku
Kompaktní elektronický termo-hygrostat ETF 012 je určen pro širokou škálu aplikací, kde kolísání teploty a vlhkosti ohrožuje citlivou elektroniku – od strojírenství a energetiky, přes infrastrukturní projekty až po průmyslovou automatizaci. Díky přesné regulaci zajišťuje suché prostředí uvnitř rozváděčů a prodlužuje životnost instalovaných zařízení.
- Nastavitelná teplota a vlhkost vzduchu
- Široký rozsah napětí
- Standardní šířka DIN (35mm)
- Zacvakávací svorka
- Vysoká spínací kapacita
- Provozní teplota až do -40 °C
- Optická indikace stavu
Rozšířené informace
Rozměrové schéma
Montáž na DIN
Montáž pomocí Šroubů
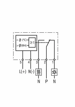
Schéma
Technické údaje
| Typ zařízení | Hygrostat |
|---|---|
| Rozsah nastavení | 0 °C - 60 °C |
| Typ kontaktu | Relé |
| Typ ochrany | IP20 |
| Indikátor provozu | LED |
| Kryt | Plast podle UL94 V-0, světle šedý |
| AC/DC | AC |
| Provozní napětí | 24 V - 240 V |
| Tolerance provozního napětí | 22 V - 265 V |
| Maximální spínaný proud | 30 A |
| Délka trvání spínaného proudu | 10 s |
| Frekvence | 45-65 Hz |
| Spotřeba energie | 1W |
| Spínací proud ohmický | 16 A |
| Maximální referenční napětí pro odporovou zátěž | 240 VAC |
| Maximální referenční napětí 2 pro odporovou zátěž | 120 VAC |
| Induktivní spínací proud | 1.6 A |
| Maximální referenční napětí pro induktivní zátěž | 240 VAC |
| Maximální referenční napětí 2 | 120 VAC |
| Spínací proud DC pro odporovou zátěž | 0.6 A |
| Maximální referenční napětí DC pro odporovou zátěž | 60 VDC |
| Doba reakce | 3 s |
| Životnost | VDE: NO/NC >15000 cyklů UL: NO/NC >30000 cyklů |
| nastavení rozsahu 2 | 50 % RH - 90 % RH |
|---|---|
| spínací diferenciál | 2K |
| tolerance spínacího diferenciálu | ±1K |
| spínací diferenciál 2 | 4 % RH |
| tolerance spínacího diferenciálu 2 | ± 1 % RH |
| provozní teplota | -40 °C - 70 °C |
| provozní vlhkost | ≤95 % RH |
| Vlhkost při skladování | ≤95 % RH |
| Teplota při skladování | -45 °C - 85 °C |
| Připojení | 5-pólová svorka, maximální kroutící moment 0,5 Nm: Pevný vodič/lanko s koncovkou 2,5 mm (AWG 14) |
| Design | Měnič |
| Šířka | 35 mm |
| Hloubka | 69,5 mm |
| Hmotnost | 200 g |
| Poznámka | Přepínání odporové zátěže (přepínání indukční zátěže). Pro připojení s lankovými vodiči je nutné použít dutinky na vodiče. |
| Obj. číslo | Montáž | Výška |
| 01260.0-00 | Svorky pro 35 mm DIN lištu, EN 60715 a šroubové připojení | 138 mm |
|---|---|---|
| 01260.0-01 | Svorky pro 35 mm DIN lištu, EN 60715 | 101 mm |
Soubory ke stažení
Články a informace
Mohlo by vás zajímat
Události

Novinky

Odborné články



















