LQ 96/144 K, LSL 96 K

Popis výrobku
Analogové přístroje pro měření činného nebo jalového výkonu - magnetoelektrické měřicí ústrojí, elektronické měření, stupnice 90° nebo 240°.Rozšířené informace
Použití
Magnetoelektrické měřicí přístroje LQ 96/144 K v pla-stovém pouzdře se používají pro měření činného nebo jalového výkonu v jednofázových nebo třífázových sítích. Umožňují rozlišovat dodávku a odběr energie, jakož i induktivní a kapacitní jalový výkon. Jsou vhodné jak pro měření sinusových, tak nesinusových proudů. Přístroje je možno instalovat do panelů rozváděčů, ovládacích skříní strojů nebo mozaikových rastrových panelů. Čelní sklo, rámeček i stupnici lze v případě nutnosti snadno vyměnit.
Měřicí ústrojí
Magnetoelektrické měřicí ústrojí s vnitřním magnetem a hrotovým uložením - systém s pružně uloženými ložiskovými kameny. Předřazený elektronický měřicí obvod a měřicí ústrojí jsou zabudovány do společného pouzdra.
Elektronický měřicí obvod obsahuje (podle typu přístroje) jednu, dvě nebo tři násobičky (2). Každé násobičce je předřazen jeden měřicí transformátor, který přizpůsobuje vstupní proud pro násobičku (1). Násobička tvoří součin okamžité hodnoty proudu a napětí (metoda TDM). Integrační člen, připojený za násobičku, potlačuje střídavou složku, takže magnetoelektrické měřicí ústrojí (3) je vychylováno stejnosměrným napětím, které je úměrné výkonu. Napájecí napětí se odebírá z funkčního bloku (4) úpravou měřeného napětí.
Funkční schéma

Elektrické vlastnosti
| Měřená veličina | činný nebo jalový výkon |
|---|---|
| Doba náběhu | 4 s |
| Kategorie měření | CAT III |
| Stupeň znečištění | 2 |
| Stupeň krytí | IP 52 pouzdro IP 00 svorky bez ochrany IP 20 svorky s ochranou |
| Mez přetížitelnosti (podle DIN 43 780) | |
| trvale | 1,2-násobek |
| po dobu 5 s | 2-násobek jm. napětí 10-násobek jm. proudu |
| Vlastní spotřeba jednotlivých napěťových větví u typů: | |
| EW1, DW1, DB1, VW1, VB1 EB1 DW2, DB2 VW3 VB3 |
≤ 3,0 VA ≤ 3,5 VA ≤ 3,4 VA ≤ 3,9 VA ≤ 4,3 VA |
| Vlastní spotřeba jednotlivých proudových větví: | ≤ 0,2 VA |
Měřicí rozsahy
| Typ | Výkon činný | Výkon jalový |
|---|---|---|
| jednofázová střídavá síť | EW 1 | EB 1 |
| třívodičová třífázová síť, symetrická zátěž | DW 1 | DB 1 |
| čtyřvodičová třífázová síť, symetrická zátěž | VW 1 | VB 1 |
| třívodičová třífázová síť, nesymetrická zátěž | DW 2 | DB 2 |
| čtyřvodičová třífázová síť, nesymetrická zátěž | VW 3 | VB 3 |
Stanovení jmenovitého měřicího rozsahu
| Výpočet zdánlivého výkonu sítě: |
| - jednofázová síť P = U × I |
| - třífázová síť P = U × I × √3 |
| Do vzorců dosaďte primární hodnoty transformátorů proudu a napětí, u třífázové sítě sdružené napětí. Koncové hodnoty jm. měřicích rozsahů volte v rozmezí 0,5 až 1,2 - násobku vypočítaného zdánlivého výkonu, přednostně dle norm. řady podle DIN 43 701: 1 - 1,2 - 1,5 - 2 - 2,5 - 3 - 4 - 5 - 6 - 7,5 - 8 a její dekadické násobky. |
| Jmenovité napětí | jednofázová síť třívodičová třífázová síť | čtyřvodičová třífázová síť |
|---|---|---|
| 57,7 V (100 V : √3) | ||
| 63,5 V (110 V : √3) | ||
| 100 V | 57,7 / 100 V | |
| 115 V | 63,5 / 110 V | |
| 120 V | ||
| 127 V (220 V : √3) | 127 / 220 V | |
| 230 V (400 V : √3) | ||
| 289 V (500 V : √3) | ||
| 400 V | 230 / 400 V | |
| 440 V | 254 / 440 V | |
| 500 V | 289 / 500 V | |
| Jmenovitý proud | 1 A nebo 5 A | |
Indikace
| Ukazovatel | rovný, zakončený nožem | |
|---|---|---|
| Výchylka ukazovatele | 0...90° | |
| Stupnice | nelineární, s hrubým a jemným dělením | |
| Délka stupnice | LQ 96K 97 mm |
LQ 144 K 146 mm |
Přesnost při jmenovitých podmínkách
| Třída přesnosti | 1,5 podle DIN 43 780 |
|---|---|
| Jmenovité podmínky | |
| Teplota okolí | 23°C |
| Provozní poloha | jmenovitá ± 1° |
| Vstupní veličina | koncová hodnota jmenovitého měřicího rozsahu P jm |
| Cejchovací faktor | P jm/P zd |
| Účiník | cos φ= λ /0,6, popř. sin φ = λ /0,6 pro 0,3 ≤ λ < 0,6 cos φ = 1, popř. sin φ = 1 pro 0,6 ≤ λ ≤ 1,5 |
| Napětí | jmenovité |
| Kmitočet | 50 Hz ± 0,2 % |
| Proud | 95...100 % jm. hodnoty proudu |
| Doba zahoření | ≥ 15 min |
| Ostatní | Dle DIN EN 43 780 |
| Ovlivňující veličiny | |
| Teplota okolí | 23 °C ± 2 K |
| Provozní poloha | Jmenovitá ± 5° |
| Intenzita cizích magnetických polí | 0,5 mT |
| Účiník | 1 ind...0...1 kap |
Mezní hodnoty ovlivňujících veličin
| Klimatické vlastnosti | klimatická třída 3, podle VDE/VDI 3540 |
|---|---|
| Rozsah pracovních teplot | -10...+55 °C |
| Rozsah skladovacích teplot | -25...+65 °C |
| Relativní vlhkost vzduchu | ≤ 75 % roč. průměr, bez orosení |
| Rázová odolnost | 15 g, 11 ms |
| Vibrační odolnost | 2,5 g, 5...55 Hz |
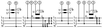
Schémata připojení
| LQ 96/144 K EW1/EB1 | |
![]() |
|
| LQ 96/144 K DW1 | LQ 96/144 K DB1 |
![]() |
|
| LQ 96/144 K VW1 | LQ 96/144 K VB1 |
![]() |
|
| LQ 96/144 K DW2/DB2 | |
![]() |
|
| LQ 96/144 K VW3 | |
![]() |
|
| LQ 96/144 K VB3 | |
![]() |
|
Rozměrový náčrtek

| Rozměry [mm] | LQ 96 K | LQ 144 K |
|---|---|---|
| a | 96 | 144 |
| b | 90 | 136 |
| c | 104 129 |
104 (EW/B1,DW/B1,VW/B1,DW/B2) 129 (VW/B3) |
Technické údaje
| Konstrukční provedení pouzdra | čtvercové pouzdro pro zabudování do ovládacích panelů rozváděčů a strojů s možností řadového uspořádání |
|---|---|
| Materiál pouzdra | Polykarbonát se samozhášecími přísadami, provedení podle normy UL 94 V - 0 |
| Čelní sklo | tabulové sklo |
| Barva čelního rámečku | černá (odstín RAL 9005) |
| Provozní poloha | svislá ± 5° |
| Způsob upevnění | výkyvnými šroubovými svorkami |
| Montáž | do řady vedle sebe (i bez mezer) |
| Tloušťka panelu | ≤ 40 mm |
| Připojovací svorky | šestihrany s vnitřním závitem, šroubem M4 a třmenem E3 |
| Rozměry [mm] | LQ 96 K | LQ 96 K |
| Přední rámeček | 96 | 144 |
|---|---|---|
| Pouzdro | 90 | 136 |
| Konstrukční hloubka EW/B1, DW/B1, VW/B1, DW/B2 | 104 | 104 |
| Konstrukční hloubka VW/B3 | 129 | 129 |
| Výřez v panelu | 92+0,8 | 138+1 |
| Hmotnost cca | 1,1 kg | 1,1 kg |
Soubory ke stažení
Články a informace
Mohlo by vás zajímat
Události

Mimořádné akce
Novinky

Odborné články














